锁存器原理
- 当控制信号 C=0 时,Q维持不变
根据与非门的逻辑定律,无论 D 输入什么信号,RD 和 SD 信号同时为 1。根据由与非门组成的 RS 锁存器的逻辑定律,RD 和 SD 都同时 等于 1 的话,锁存器的输出端 Q 将维持原状态不变。
- 当控制信号 C=1 时,Q由D来决定
- 如果此时 D=0,SD 就等于1,RD 就等于 0,根据 RS 锁存器的逻辑规律,电路的结果就为 0 状态;
- 如果 D =1,那么 RD 就等于 1,SD 也就等于 0,锁存器的结果就为 1 状态。
也就是说,此时锁存器的状态是由激励输入端 D 来确定的,
并且 D 等于什么,锁存器的状态就是什么,这就是我们前面所说的,将单路数据 D 存入到锁存器之中。
在绝大多数设计中我们要避免产生锁存器。它会让您设计的时序出问题,并且它的隐蔽性很强,新人很难查出问题。锁存器最大的危害在于不能过滤毛刺和影响工具进行时序分析。这对于下一级电路是极其危险的。所以,只要能用触发器的地方,就不用锁存器。
if语句
if语句不带else
1 2 3 4 5 6 7 8 9 10 11 12 13 14 15 16 17 18
| `timescale 1ns / 1ps
module latch ( clk, a, b, y ); input clk; input a; input b; output reg y; always @(*) begin if( a == 1) y = b; end endmodule
|
if语句不带else 对应 RTL原理图
if语句带else
1 2 3 4 5 6 7 8 9 10 11 12 13 14 15 16 17 18 19 20
| `timescale 1ns / 1ps
module latch ( clk, a, b, y ); input clk; input a; input b; output reg y; always @(*) begin if( a == 1) y = b; else y = 0; end endmodule
|
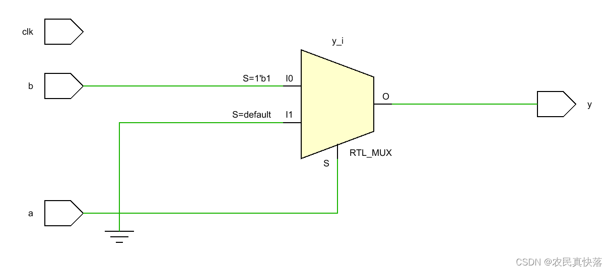
if语句带else 对应 RTL原理图
if语句带else 对应 RTL原理图
Case语句
Case语句不带feault
1 2 3 4 5 6 7 8 9 10 11 12 13 14 15 16 17 18 19 20 21
| `timescale 1ns / 1ps
module latch ( clk, a, b, y ); input clk; input a; input b; output reg y; always @(*) begin case(a) 0 : y = b; endcase end endmodule
|
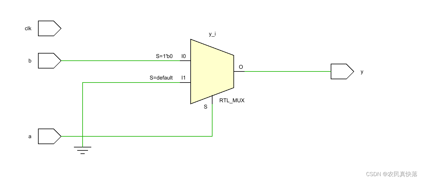
Case语句不带feault 对应 RTL原理图
Case语句带default
1 2 3 4 5 6 7 8 9 10 11 12 13 14 15 16 17 18 19 20 21 22 23
| `timescale 1ns / 1ps
module latch ( clk, a, b, y ); input clk; input a; input b; output reg y; always @(*) begin case(a) 0 : y = b; default : y = 0; endcase end endmodule
|
Case语句不带feault 对应 RTL原理图
参考资料
- 正点原子逻辑设计
- B站 花几分钟理解锁存器
- 锁存器与触发器详解1 SR锁存器